The Jet-Tech 727-E Undercounter Glasswasher
Includes:
- One 16-compartment (4x4) angled section glassware rack
- One open combination rack for cups, bowls and assorted wares
Optional Accessories:
- Pressure reducing valve (PRV)
- Drain water tempering kit
Connecting the 727
Water Supply:
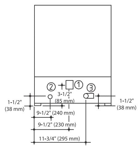
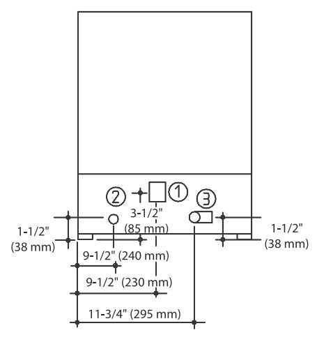
A 3/4" NPT fitting is required with 30 psi. dynamic pressure. A water pressure regulator* may be required. The water flow pressure cannot be less than 30 psi or exceed 30 psi. If the water pressure exceeds the prescribed amount, you will get inconsistent washing temperature, premature failure and thus may void the warranty.
Incoming water temperature must be 140º F (60º C). An easily accessible shut-off valve is recommended, making installation, service and maintenance easier. A flexible drain hose is provided to make installation, servicing and maintenance easier. Make sure that the water is free from calcium and hard water deposits. For these situations, an inline water cartridge system is highly recommended.
Drain:
This dishwasher is equipped with an automatic drain pump that will pump the drain water to a maximum height of 36" (0.9 meter). A 1" ID flexible drain hose is supplied to facilitate maintenance and servicing of the machine. It is important not to reduce the size of this hose. A 1" check-valve* may be required. Drain pump equipped machines have a white button on the control panel beside the green power button.
Electrical
A 208-240 volt, 60 Hz, Single Phase circuit is required for this unit. Check the rating plate on the front of the machine for the amp draw. In spite of the fact that the rating plate shows 208 volts, the unit is designed function properly on 208 volts to 240 volts.
The top & back panels must be removed for the electrical hook -up. The top panel is secured by two Phillips head screws. Once the screws are removed, the panel should be slid to the back and lifted. The back panel is also held by two screws. Remove them, pull the bottom away from the machine and lift the panel.
The terminal block is located inside the back cover. Pass the cable through the cable strain relief and connect the wires to the terminals L1 (brown wire), L2 (blue wire) & Ground (yellow & green wire). Replace the top & back L1 Water panels being careful not to pinch or kink any wires or hoses. There should be sufficient cable length to G Allow the machine to be pulled out for service.
IMPORTANT NOTE Reasonable access to and around the machine for service must be provided. Disconnecting of hard plumbing or removal of counter tops or cabinets, etc., for servicing is not covered by warranty.
DO NOT fill dishwasher manually with water. The dishwasher will fill automatically when the power is turned on.
All panels must be replaced on the unit when the installation
Chemical Pumps
The model 727E is supplied with factory installed liquid detergent and rinse additive pumps to automatically dispense during each wash & rinse cycle. Before accessing the bottom section of the dishwasher, make sure that the power is turned off at the source (breaker panel).
The bottom panel can only be removed with a flat tool like a screwdriver
Insert the screw-driver in the gap between the front panel and the side panel. Pry open towards you. Do this on both sides
The red & blue hoses connected to the pumps must be routed out of the bottom of the dishwasher. The red tube is for detergent and the blue tube is for rinse additive. The containers can be either to the right or left of the dishwasher. Perforating the stainless panel is not recommended. The two chemical pumps are factory adjusted to accommodate most installations.
There is a mark on the pump indicating this setting. It is recommended that only qualified personnel alter these settings.
UNDER NO CIRCUMSTANCES should the detergent pump be turned off
Product Features
-
ThermoStop™ System – Guarantees 185F (85C) final rinsing temperature, regardless of incoming water temperature
-
OneGO™ – Our electronic control system featuring intelligent software LED interface and multiple function analysis. OneGO™ soft touch buttons allows you to run a selection of three different cycles, all in one easy touch!
-
SmartSelf diagnostics – have all necessary advanced service diagnostics information at your fingertips!
-
EasyGO – Our ‘soft-start’ washing system protects your valuable dishes and glassware from any chippage or breakage
-
EnergyStar qualified – extremely low water and electrical consumption maximizing your profits
-
Model 727E is fully equipped with a built-in booster for high temperature rinse water, automatic peristaltic pumps for both liquid detergent and rinse-additive, and an automatic drain pump that has the exclusive ‘wash-down’ feature at the end of the work day for a self-cleaning operation
-
Body, external housing, wash tank and all chassis component in brushed stainless steel AISI 304 18 gauge
-
Noise 58 DbA due to utilization of double-walled insulated top and side panels
-
Upper and lower wash and rinse jets on revolving arms constructed of stainless steel; easy to remove and clean without the need for tools
-
Integrated AISI 304 18/10 stainless steel booster with insulated lining
-
Safety micro-switch on the door to interrupt wash pump action
-
Reinforced door hinge system
-
Independently-operated heating elements alternating between booster and wash tank
-
Alternating heating resistors reducing maximum absorption thereby reducing energy costs
-
Possibility of built-in or free-standing installation
-
Inner washing chamber with covered corners and one-piece stamped wash tank provides user with the most sanitary environment
-
Wash pump protected with double scrap filters, plus additional filter for overflow tube
-
Door-opening with overall clearance of 10.8 in. (273 mm)
-
Automatic fill and water level regulation of tank
-
Slide out integrated front controlpanel provides easy access for technical service
-
Front mounted electronic control panel with digital temperature displays
Free Shipping
Ships in 2 Business Days
Product Resources
Specifications
| Equipment Type | Glass Washers |
| Brand | Jet-Tech |
| Rack capacity | 15.75" x 15’75" (400mm x 400mm) |
| Total cycle | 2-3-4 minutes |
| Hourly production | 30/20/15 racks/hr. (1080/720/540 glasses/hr.) |
| Wash tank capacity | 2.9 U.S. Gallons (11 Litres) |
| Booster capacity | 0.79 U.S. Gallons (3 Litres) |
| Wash temperature | 150°F (65°C) minimum / controlled electronically |
| Final rinse temperature | 185° - 194°F (85° - 90°C) minimum / controlled electronically |
| Incoming water temperature | Minimum 122°F (50°C) |
| Incoming water pressure | 30 p.s.i. (2 bar) |
| Water consumption per cycle @ 30 psi | 0.52 U.S. Gallons (2 Litres) |
| Washing pump power | 0.4 H.P. |
| Power supply | 208V/60HZ |
| Tank Heating Element | 2.0 KW |
| Booster Heating Element | 2.4 KW |
| Maximum power rating | 2.80 KW - 13.5 amps |
| Width | 20.5" |
| Height | 29.5" |
| Depth | 20.5" |
| Shipping Weight | 106 lbs. |
Manufacturer's Warranty
-
1 Year
Labor
-
1 Year
Parts
-
CE Listed
-
Energy Star Certified

