The Jet-Tech 737-E Undercounter Dishwasher
Includes:
- One open combination rack
- One peg dish rack
Optional Accessories:
- Pressure reducing valve (PRV)
- Drain water tempering kit
- Stainless steel stand
Connecting the 737
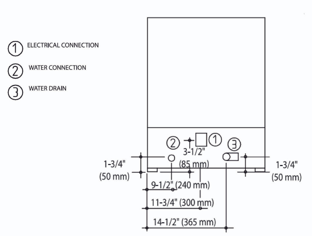
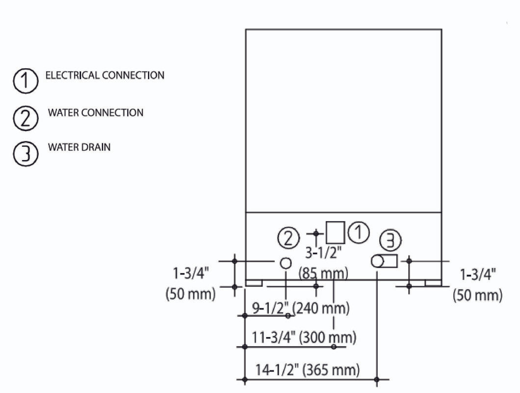
This dishwasher must be installed on a level, rigid, nonflammable surface. Ensure that the machine is level by installing the feet (shipped in the wash tank of the machine) and adjusting the leveling. Be sure to provide adequate space for water, drain and electrical connections.
Water Supply:
A 3/4” NPT fitting is required with 30 psi. dynamic pressure. A water pressure regulator* may be required. The water flow pressure cannot be less than 30 psi or exceed 30 psi. If the water pressure exceeds the prescribed amount, you will get inconsistent washing temperature, premature failure and thus may void the warranty.
Incoming water temperature must be 140º F (60º C). An easily accessible shut-off valve is recommended, making installation, service and maintenance easier. This type hose is standard for most warewashing machines. Fittings should be available from your local hardware or plumbing supply house. Flexible hoses must be used to make installation, servicing and maintenance easier. Ensure that the water is free from calcium and hard water deposits. For these situations, an inline water cartridge system is highly recommended.
Drain:
This dishwasher is equipped with an automatic drain pump that will pump the drain water to a maximum height of 36" (0.9 meter). A 1" ID flexible drain hose is recommended to facilitate maintenance and servicing of the machine. It is important not to reduce the size of this hose. A 1" check-valve* may be required.
Electrical:
A 208-240 volt, 60 Hz, Single Phase circuit is required for this unit. Check the rating plate on the front of the machine for the amp draw. In spite of the fact that the rating plate shows 208 volts, the unit is designed function properly on 208 volts to 240 volts. There should be sufficient cable length to permit the machine to be pulled out for service.
The top & back panels must be removed for the electrical hook -up. The top panel is secured by two Phillips head screws. Once the screws are removed, the panel should be slid to the back and lifted. The back panel is also held by two screws. Remove them, pull the bottom away from the machine and lift the panel.
Product Features
-
Body, external housing, wash tank and all chassis component in brushed stainless steel AISI 304 18 gauge
-
Noise 58 DbA due to utilization of double-walled insulated panels
-
Standard insulated top and side panels
-
Upper and lower wash and rinse jets on revolving arms constructed of stainless steel; easy to remove and clean without the need for tools
-
Integrated AISI 304 18/10 stainless steel bosster with insulated lining
-
Safety micro-switch on the door to interrupt wash pump action
-
Reinforced door hinge system
-
Independently-operated heating elements alternating between booster and wash tank
-
Alternating heating resistors reducing maximum absorption thereby reducing energy costs
-
Possibility of built-in or free-standing installation
-
Inner washing chamber with covered corners and one-piece stamped wash tank provides user with the most sanitary environment. Our recessed wash tank makes the 737E ideally suited for marine applications.
-
Wash pump protected with double scrap filters, plus additional filter for overflow tube
-
Door-opening with overall clearance of 13.5 in. (342 mm)
-
Automatic fill and water level regulation of tank
-
Slide out integrated front control panel provides easy access for technical service
-
Front mounted electronic control panel with digital temperature displays
-
Standard equipment includes: One open combination rack and one peg dish rack 19.75" x 19.75" (500mm x 500mm)
Free Shipping
Ships in 2 Business Days
Product Resources
Specifications
| Equipment type | Dishwashers |
| Brand | Jet-Tech |
| Rack capacity | 19.75"" x 19.75"" (500mm x 500mm) |
| Total cycle | 2-3-4 minutes |
| Hourly production | 30/20/15 racks/hr. (540/360/270 dishes/hr.) |
| Wash tank capacity | 3.43 U.S. gallons (13 Liters) |
| Booster capacity | 1.85 U.S gallons (7 Litres) |
| Wash temperature | 150°F (65°C) minimum / controlled electronically |
| Final rinse temperature | 185° - 194°F (85° - 90°C) minimum / controlled electronically |
| Incoming water temperature | Minimum 122°F (50°C) |
| Incoming water pressure | 30 psi (2 bar) |
| Water consumption per cycle @ 30 psi | 0.74 U.S. gallons (2.8 Litres) |
| Washing pump power | 1.0 hp |
| Power supply | 208v/60hz |
| Tank heating element | 2.8 kw |
| Booster heating element | 4.0 kw |
| Maximum power rating | 4.6 kw - 22.12 amps |
| Width | 23.75" |
| Height | 33.5" |
| Depth | 23.5" |
| Shipping Weight | 160 lbs. |
Manufacturer's Warranty
-
1 Year
Labor
-
1 Year
Parts
-
CE Listed
-
Energy Star Certified

